- M14 Bohrung + Kabelschuh.
Shunt Regelung Kapazität von bis zu 1,5 Ampere.
Kabel-mit Öse angeschlossen, 210mm Lochabstand.
Kann auch auf 200AH/260AH/300AH Winston Zellen verwendet werden,
wenn ein M12 Zentrierbund in die M14 (14mm) Öffnung gesteckt wird.
Kann auch auf SE180AHA und TS-LFP160AHA Zellen verwendet werden, wenn ein M8 Zentrierbund in die M14 (14 mm) Öffnung gesteckt wird.
Signalleitung PCB Löcher eignen sich für gelötete ein Draht-Verbindung, Flachstecker können auch geliefert werden.
Lithium-Ionen-Batterien benötigen Cell-Balancing während des Ladevorgangs und Schutz vor Überladung und Tiefentladung. Diese scheinbar einfache Funktion ist von größter Bedeutung in unternehmenskritischen Umgebungen. Es ist auch eine der schwierigsten Aufgaben, hier absolute Sicherheit und Zuverlässigkeit zu erzielen.
Das EV Power Battery Balancing-System wurde speziell für großformatige Lithium-Eisen-Phosphat-Akkus, wie Winston-Thunder Sky und Sky Energy (CALB) LFP-Zellen entwickelt. Es kann auch mit anderen Lithium-Eisenphosphat-Batterie Marken mit minimalen Änderungen arbeiten.
Dieses System ist in einer kontinuierlichen Entwicklung seit einigen Jahren zu einem zuverlässigen und effektiven Batterie-Management-Systeme entwickelt worden.
Alle Lithium-Ionen-Akkus benötigen eine Batterie-Management-System (BMS). Es gibt keine Möglichkeit dies zu umgehen. Es gibt zahlreiche Beispiele für katastrophale Ausfälle, wo keine BMS verwendet wurde.
Zumindest muß ein BMS folgende Grundfunktionen haben:
1) Saldo der Zellen während des Ladevorgangs auf den Ladezustand aller Zellen in der Pack-Stufe.
2) Jede Zelle in der Batterie gibt gibt in einem Bereich sicherer Spannung nach draussen ab.
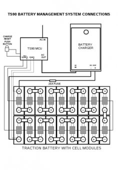
Das EV Power System ist als verteiltes BMS bekannt. Das heißt, die Funktionalität ist über die Batterie verteilt, nicht zentral gelegen.
Das System besteht aus zwei Hauptteilen:
1) Zell-Module - eines pro Zelle, die als Standalone-Shunt-Regler Balancer miteinander verknüpft sind, um auf Zellebene eine Spannungsüberwachung zu bieten.
2) Master Unit - eine pro Batteriesatz, überwacht die Signalleitung an den Zelle Modulen und ergreift Maßnahmen, um Ladung oder Entladung, falls das Heartbeat-Signal unterbrochen ist, zu verhindern.
Das Herz des EV Power Systems ist die Zelle Modul. Schlicht und elegant.
A battery consists of two or more cells. Eine Batterie besteht aus zwei oder mehr Zellen. There is one cell module for each cell in a battery. Es gibt eine Zelle Modul für jede Zelle in einer Batterie. The cell modules perform the function of balancing and monitoring the cells. Die Cell-Module erfüllen die Funktion des Ausgleichs und der Überwachung der Zellen.
EV Power entwickelte seine einzigartiges Ein-Draht-System, dass jede Zell Modul mit dem nächsten verbindet. Dies bietet zwei Enden, die wieder-Schnittstelle zu einem Master-Einheit sind, welches die Ladung und Entladung kontrolliert, wenn es ein Problem mit einer Zelle gibt.
Features: Features:
Epoxidharz vergossen, um Feuchtigkeit und Staub Störungen zu verhindern. Auch schützt es vor einem fallenden Schraubenschlüssel, lose Kabel, Nüsse und Fingern!
- Vergoldete Zellen Anschlussklemmen für perfekte Verbindung und professionelles Aussehen.
- Ein Draht zwischen den Cell-Modulen.
- Löt-Signal-Verbindungen für lebenslange Zuverlässigkeit.
- Low profile, ragt nicht über die Terminal-Schrauben.
- Bis zu 2A Querstrom Kapazität je nach Typ.
- Kein Hitzestau bei der Regelung, keine sperrigen heißen Widerständen.
- Geringer Platzbedarf der eigentlichen Schaltung ist von der Größe einer Briefmarke!Stört nicht die Verbindung mit Montage-Hardware.
- Geringe Leistungsaufnahme Ultra-niedriger Verbrauch (
- Verpolung geschützt.
- Interne Sicherung, um Zellschäden durch falsche Installation zu verhindern.
- Einfach zu installieren und leicht zu verstehen.
- Geeignet für LiFePO4 Zellen Technik.
- LOW COST, verglichen mit komplizierteren Systemen.
- Größen geeignet für Winston Batterien und CALB
A-Modul kann als Standalone-Shunt-Regler oder in Kombination mit anderen Modulen betrieben werden zum überwachen und zum Vergleichen einer LiFePO4-Akku mit einer beliebigen Anzahl von Zellen.
Anschluss des Signals von einem Zellen Modul in Reihe mit anderen Zell Modulen und einer Master-Einheit liefert den kompletten Batterie Schutz vor Überladung und Tiefentladung.
EV Power BMS Features:
- Modular - ein kleiner Aufwand da die Modul Schrauben direkt auf jeder Zelle montiert werden.
- Simple - A eine Draht-Schnittstelle ist alles, was erforderlich ist. Keine Verdrahtungs-Kabel wirrwarr.
- Skalierbar - Batterie-Balancing von einer Zelle bis zu einer beliebigen Anzahl.
- Fail Safe - eine einzigartige ein Draht NC-Schleifen Sicherheitssperre verhindert daß von einer beliebige Zelle über / unter Spannung ausgeht.
- Hermetisch dicht - Topfpflanzen-Cell-Module Schutz gegen Staub und Feuchtigkeit
- Flexibel - das Master-Steuergerät kann mit fast jedem Ladegerät zu arbeiten.
- Zuverlässig - analoge elektronische Cell-Module, keine Computer in hohen EMI-Umgebung.
- Sichere Installation - Keine hohen Spannungssignal Draht-Verbindungen.
- Einfach Statusanzeige - Ein Indikator für jede Zelle.
- Kostengünstig - niedrige Kosten pro Zelle für großformatige Lithium-Ionen-Batterien.
- Erfunden, entwickelt, verfeinert und hergestellt in Australien seit 2007




Wir informieren Sie gern darüber, falls der Preis dieses Artikels Ihrem Wunschpreis entspricht.